Тойота Секвойя / Тойота Тундра
Тойота Секвойя / Тойота Тундра I поколения (2001-2007) => Трансмиссия, подвеска, тормозная система => Тема начата: BeeL@N от Август 22, 2018, 04:03:09 pm
-
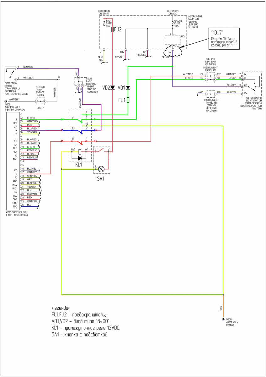
Доброго времени, товарищи соклубники, с моделями до 09.2002гв! (обладатели тросиковой педали газа)
Проблема решена. Теперь возможно принудительно блокировать межосевой диф с кнопки:
(Ранее до этого решения, межосевой дифференциал блокировался только при включении понижающей передачи и переключения автомара в положение L. Подробнее тут: http://sequoia-club.ru/index.php?topic=314.0)

Прилагаю видео, как у меня теперь работает межосевая блокировка:
https://youtu.be/xmih3hMURhQ
Выкладываю мануал в формате PDF: <<<<<ССЫЛКА>>>>> (https://drive.google.com/open?id=1uvvEQi0dZx1-WGudAaFOLYJoFNx8r9Lv)
-
Для подключеия кнопки без фиксации
Реле и разъем

Схема подключения с данным реле

-
А кто нибудь делает эту процедуру профессионально,за плату?
-
делает, в ватсап ветке клуба, Александр автоэлектрик, он делает монтажный комплект + инструкция , любой автоэлектрик потом легко установит в авто.
-
Как найти эту ватсапп ветку?
-
http://sequoia-club.ru/index.php?topic=184.0