Тойота Секвойя / Тойота Тундра
Тойота Секвойя / Тойота Тундра I поколения (2001-2007) => Электрооборудование => Тема начата: Shurik_designer от Январь 12, 2024, 12:27:33 pm
-
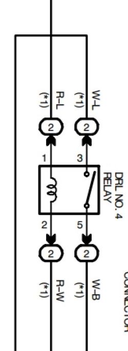
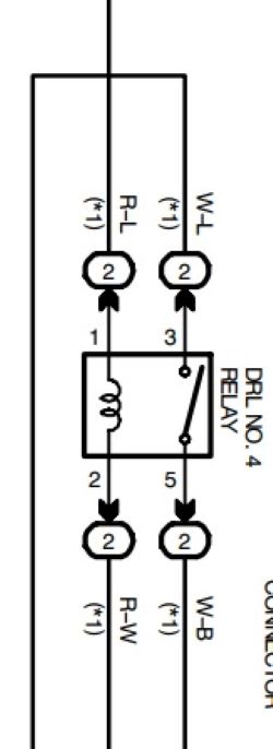
Информация для желающих вернуть штатный режим ДХО (автомобили оборудованные системой Daylight - свет в пол накала после поворота ключа зажигания), который приходится отключать после установки светодиодных ламп или линз.

Схема любезно предоставлена Александром. ;D
-
Метод №2



Красный с синей полоской — на 85 контакт реле.
Красный с белой полоской — 86.




Все по мере производства.
Постоянный плюс взял оттуда же.
-





Отличие от схемы Александра в первом сообщении:
У меня на 86 и 85 контактах было 12 вольт плюс.
86 закинул на массу и все заработало.
Машина Канада!
Забыл написать постоянный плюс бело зеленый.
-
Пояснения
Штатное реле управляется по минусу, но если штатное реле оставить на месте, и в режиме когда ДХО отключено, то потенциал будет на обеих ногах реле.
Вот схема для модели 2005 г.в.

Цвета проводов – смотрим запоминаем.

2005 г.в.

2001 г.в. — цвета проводов такие же.

2003 г.в. — цвета проводов такие же.

ДХО на дальнем или ближнем определяется исключительно мультиплексом (вот вам и США/Канада), так как минус и у ближнего и у дальнего (спирали) общий, он же, "–" минус, через резистор подключается.
Выводы:
Вариант №1 – по схеме Александра
Вариант №2 (если выходит так, как описано выше) – с реле ДХО нужно только 85 контакт притащить и постоянный плюс 86 просто на массу.
P.S.: после опроса еще один владелец канадки подтвердил, что в режиме ДХО у него горит ближний.