Тойота Секвойя / Тойота Тундра

Тойота Секвойя / Тойота Тундра

  • Апрель 27, 2026, 04:06:30 pm
  • Добро пожаловать, Гость
Пожалуйста, войдите или зарегистрируйтесь.

Расширенный поиск

Новости:

Внимание каждая регистрация нового пользователя одобряется администраторами форума. Для ускорения процесса, после регистрации отправте письмо с просьбой активировать учетную запись и указать ник. Письмо слать по адресу y.prasolov@gmail.com

Автор Тема: Независимая работа ПТФ (Противотуманок) на Тойота Секвойя/Тундра 2001-2007 (DRL)  (Прочитано 50906 раз)

Shurik_designer

  • Sr. Member
  • ****
  • Карма: +7/-0
  • Сообщений: 292
  • Баобаб Limited, 2002

Приветствую, товарищи электрики. Касается тех кто хочет больше света.
Не нравится ситуация, когда при включении дальнего у нас гаснут ПТФ. То же относится к режиму, когда горят только габариты, ПТФ при габаритах вообще не включаются.

Почитал форумы коллег японо-американцев:
https://club-lexus.ru/forum/viewtopic.php?t=13515&postdays=0&postorder=asc&start=0&per_page=15
http://highlanderclub.ru/node/1914

Как на счет организации подобного на Секвойе?
« Последнее редактирование: Март 19, 2018, 01:30:58 pm от Yurandex »
Записан
Жлоб я - хобби у меня такое ))

BaBoN

  • Global Moderator
  • Sr. Member
  • *****
  • Карма: +10/-0
  • Сообщений: 395
  • Sequoia Limited была 2001 теперь 2007 Москва

За почти 2 года езды с линзами в основных фарах - ни разу не включал даже птф на дороге ))))
Записан

Yurandex

  • Administrator
  • Sr. Member
  • *****
  • Карма: +9/-0
  • Сообщений: 347
  • Toyota Sequoia I - 2002

Щас линзы воткну за место ПТФ, и придется заставить работать туманки независимо от дальнего и ближнего. Но это все теплой вестой!
Записан

Yurandex

  • Administrator
  • Sr. Member
  • *****
  • Карма: +9/-0
  • Сообщений: 347
  • Toyota Sequoia I - 2002

PS: Сразу скажу, если не разбираетесь в электронике, то Вам сразу сюда: http://sequoia-club.ru/index.php?topic=307.msg1102#msg1102


И так начнем:
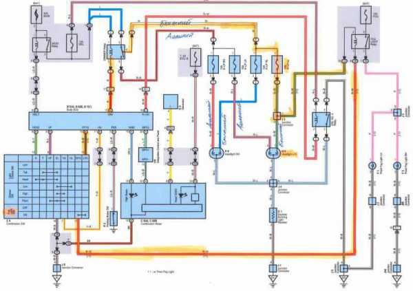
С друзьями соклубниками проанализировали схему, стало все ясно и понятно как работает и почему гаснут ПТФ на Тойота Секвойя совместно с дальним светом и почему не включаются вместе с габаритами...

Вот тут вы можем наблюдать полную схему работы противотуманок:
6.jpg
Скачать эту схему в хорошем качестве: https://drive.google.com/open?id=1f9xCi9lSkmOZwJq3hxzoTYKb2606IKHj

  1. Часть это сам рычаг включения туманок. Там только лишь при включении ближнего света перемыкаются контакты и система мультиплекс отправляет на рычажок включения ПТФ массу. И только тогда Вы можете повернув рычажок включения противотуманных фар отправить массу на реле включения ПТФ.
Обманывается тут просто:
1. Откручиваем кожух за рулем, видим проводку, которая приходит на поворотники и на рычажки управления светом.
2. Отрезаем проводок, который отправляет массу на реле от системы мультиплекса: Ищем тонкий -=зеленый провод с черной полосой=-(G-B), Отрежем его на расстоянии около 3х сантиметров от разъема.
3. Берется масса, которая приходит на рычаг поворотников и управления светом. Это толстый -=белый провод  с черной полосой=-(W-B), делается надрез, но смотрите не стоит разрезать этот провод, делаем так, чтобы провод оголился и к нему прикручиваем отрезанный тонкий -=зеленый провод с черной полосой=-(G-B). А другую отрезанную сторону провода G-B , которая идет от мультиплекса изолируем.  То, что вы только что сделали, стало давать постоянное заземление  -=зеленого провода с черной полосой=-  вместо того, чтобы давать заземление только при ближнем свете.

  2. Часть Более трудоемкая. Ее цель заставить уже +12 вольт отправить на реле Туманок. То есть Чтобы Туманки включились нам нужно подать питание на реле. с одной стороны массу, с другой +12в. Массу мы поняли как подать, теперь ищем как подать +12. Смотрим схему. Там видно, что есть такое реле 5 контактное, которое называется

Вот схематично, что надо и куда подключить! На схеме видно, что при включении Ближнего света, мультиплексная шина подает массу на тумблер включения туманок!
При включении тумблера масса проходит дальше! И мы видим, как она уходит по проводу:  R-W (красный с белой полоской).
1.jpg

И так мы полностью закончили первую часть и смогли подать минус на реле:
2.jpg

Теперь будем разбирать вторую часть!
Рассмотрим ее внимательнее!
Мы видим что, +12в, от который подается питание на реле ПТФ, тоже подает Мутиплекс(body ECU)
Вот схема со стороны подачи +12В:
3.jpg

И так Мультиплекс подает питание +12 только, когда рычаг ближнего света включен!
Питание +12 идет на DIMMER РЕЛЕ, оно 5 контактное. Видно, что когда реле отключено, то +12 подается на фары ближнего света и на реле противотуманок, а минус на DIMMER реле не подается.
Когда мы включаем дальний свет, то на DIMMER реле еще начинает приходить масса и реле включается, после чего гаснет ближний свет и отключается реле противотуманок, и включается дальний свет.

Вот как раз нам эту всю систему и надо обойти. Нам надо просто подавать всегда, когда машина заведена +12 вольт мимо этой сложной конструкции. То есть обрезать провод +12в ведущий от ближнего света на реле ПТФ, найти любой провод ACC, и его подключить к реле ПТФ.
Вот как это выглядит схематично:
4.jpg

Реле ПТФ находится в салоне пол ногами водителя.
Надо снять нижнюю накладку, вытащить нижний воздуховод, открутить левую часть воздуховода.
Там нам должен открытся полностью блок реле и предохранителей. Надо открутить верхний и нижний болт на 10.
Далее нам нужно глянуть схему:
блок предохранителей 1.jpg

Это обратная сторона блока предохранителей в салоне!
Нам необходимо отступить от разъема 4см, отрезать контакт 10_1J, и ту часть которая не входит в разъем заизолировать.
Далее найти контакт: 8_1K, и не разрезая срасить с контактом 10_1J.

Вот более наглядные картинки, как это выглядит:
блок предохранителей 2.jpg
5.jpg

У Вас все готово, чтобы можно было пользоватся противотуманными фарами, всегда, когда включены габариты!

Если Хотите, чтобы Даже с выключенными габаритами можно было включать ПТФ, тогда можете найти любой контакт ACC, например от магнитофона или еще от чего либо и прикрутить его к контакту 10_1J ведущему на разъем!

Спаибо за внимание!
Задавайте вопросы!
« Последнее редактирование: Март 19, 2018, 01:08:47 pm от Yurandex »
Записан

Yurandex

  • Administrator
  • Sr. Member
  • *****
  • Карма: +9/-0
  • Сообщений: 347
  • Toyota Sequoia I - 2002

Для чайников:
Откручиваем пару винтиков под рулем, снимаем кожух рулевой.

1.jpg
2.jpg
3.jpg
4.jpg





Ищем левый рычаг поворотников. Под ним есть провода.
5.jpg

ШАГ 1.
1.   Ищем тонкий -=зеленый провод с черной полосой=-, а также толстый -=белый провод  с черной полосой=-.
2.   Отрежем -=зеленый провод черной полосой=- на расстоянии около 3х сантиметров от разъема.
6.jpg

3.   НЕ разрезайте -=белый провод с черной полосой=-, а просто надрежьте изоляцию и срастите с -=зеленым проводом с  черной полосой=- . Изолируйте все хорошо.
7.jpg

4.   Теперь Вы можете все собрать назад и приступить ко второму шагу!


ШАГ 2.
Тут можно либо пойти двумя путями!
Первый путь изложен ниже, а про второй путь написано тут: http://sequoia-club.ru/index.php?topic=307.msg1105#msg1105

Откручиваем под рулем панель на торпедо.
Вытасвиваем 2 части воздуховода.
Получаем доступ к блоку реле и предохранителей.
Сверху и снизу откручиваем болты на 10.
Вытаскиваем блок предохранителей и ищем контакты: 10_1J и 8_1K

Нам необходимо отступить от разъема 4см, отрезать контакт 10_1J, и ту часть которая не входит в разъем заизолировать.
Далее найти контакт: 8_1K, и не разрезая срасить с контактом 10_1J.

5.jpg
блок предохранителей 2.jpg
блок предохранителей 1.jpg
« Последнее редактирование: Март 19, 2018, 01:10:59 pm от Yurandex »
Записан

Shurik_designer

  • Sr. Member
  • ****
  • Карма: +7/-0
  • Сообщений: 292
  • Баобаб Limited, 2002
Записан
Жлоб я - хобби у меня такое ))

Shurik_designer

  • Sr. Member
  • ****
  • Карма: +7/-0
  • Сообщений: 292
  • Баобаб Limited, 2002

Добавлю, коротко о главном (фото процесса от соклубника)

Для тех кто хочет туманки вместе с дальним. Снимаем подрулевой кожух. Снимаем разъем с переключателя света.


Вот так его разворачиваем и зелено черный провод( нижний правый угол) разрезаем и сажаем его на массу.


Снимаем блок предохранителей и реле в салоне


Нужен этот разъем


Он подписан 1J


В нем провод цвет не помню (верхний правый угол) сажаем на плюс после зажигания. Собираем все обратно. Теперь туманки работают от зажигания и включаются ,выключаются со штатного включателя. Данная схема действительна для секвои 2005год с ДХО. На остальных моделях нужно проверять.



Чтобы снять блок реле и предохранителей нужно это крепление полностью снять. Так будет проще и быстрее


Спасибо Михаилу за фото процесса!


« Последнее редактирование: Март 19, 2018, 09:32:47 am от Shurik_designer »
Записан
Жлоб я - хобби у меня такое ))

Yurandex

  • Administrator
  • Sr. Member
  • *****
  • Карма: +9/-0
  • Сообщений: 347
  • Toyota Sequoia I - 2002

Еще есть второй способ, он еще годами не опробован!
Надо долго тестировать.
Смысл в том, что мы не лезем и не разбираем в салоне блок реле, а просто открываем капот, вытаскиваем одно реле, на нем проводом перемыкаем два контакта и ставим предохранитель на место. Это даст нам следующее: ПТФ  можно включать в любой время, когда машина заведена, ПТФ в тойота секвойя будет гореть вместе с дальним! И самое главное, что при включении дальнего света, ближний свет не будет гаснуть, тем самым будет светить дальний значительно ярче.


1. первый шаг выполняем, как выше изложено и в разъеме переключателя поворотников разрезаем и соединяеми провода. (смотрите пост выше).

2. Второй шаг будет несколько иным.
Откроем капот, увидим блок предохранителей, который ближе к стеклу водителя, откроем его.
Смотрим на крышку и ищем DIMMER RELAY
lvwS-1f7w5A.jpg

Далее находим и вытаскиваем это реле:
9.jpg

Накручиваем провод, и тщательно пропаиваем как на картинке два контакта.
SumbAhNbmAk.jpg

Все! Работа выполнена, вставляем назад реле и тестируем, что все работает!!!
Прошу заметить, что после такой процедуры, теперь не надо покупать косу для ксенона.
Если раньше пропадало питание на ближний свет, при включении дальнего.... Шторка линзы  поднималась, а ксенон гас, то теперь оно не будет гаснуть. ПРосто подключите шторку к дальнему, а блок поджига к ближнему и все.



« Последнее редактирование: Март 19, 2018, 12:51:05 pm от Yurandex »
Записан

Shurik_designer

  • Sr. Member
  • ****
  • Карма: +7/-0
  • Сообщений: 292
  • Баобаб Limited, 2002

Добавлю небольшое дополнение от Михаила, у которого схема независимых туманок уже реализована:

Если взять "+" с ACC то это первое положение ключа.  Если взять плюс с прикуривателя то он тоже работает после первого положения ключа. Может быть такое что включены на переключателе туманки и в машина не заведена просто слушают музыку, то туманки будут светить. Что не совсем правильно.
Я когда делал эту схему то запитывался именно на положение ключа ON. На схемах IG.


Сегодня рассматривал схемы откуда я взял этот плюс и увидел что можно взять с разъема 1J со второго контакта. А я брал с реле обогрева зеркал  но они в итоге сходятся во втором контакте.


Здесь у меня плохо видно но все же нижний ряд с лева второй провод он красный и с жёлтой полосой. На нем + появляется после включения зажигания.
То есть 10контакт разрезаем и сажаем на 2 контакт. Вся переделка в двух разъемах и больше никуда лезь не нужно.

С уважением Михаил
Записан
Жлоб я - хобби у меня такое ))

Yurandex

  • Administrator
  • Sr. Member
  • *****
  • Карма: +9/-0
  • Сообщений: 347
  • Toyota Sequoia I - 2002

Спасибо Михаилу за дополнение!!
Записан

Yurandex

  • Administrator
  • Sr. Member
  • *****
  • Карма: +9/-0
  • Сообщений: 347
  • Toyota Sequoia I - 2002

Вот Михаил нашел в том же разъеме +12в
То есть нужно всего лишь вытащить разъем 1J и соединить два контакта.
Никуда лазить не надо.. Никакой плюс тянуть не нужно!
IMG-20180325-WA0007.jpg

IMG-20180325-WA0006.jpg
Записан

Shurik_designer

  • Sr. Member
  • ****
  • Карма: +7/-0
  • Сообщений: 292
  • Баобаб Limited, 2002
Записан
Жлоб я - хобби у меня такое ))

Piligrim.kg

  • Newbie
  • *
  • Карма: +1/-0
  • Сообщений: 1
Записан

Shurik_designer

  • Sr. Member
  • ****
  • Карма: +7/-0
  • Сообщений: 292
  • Баобаб Limited, 2002

Подключили независимую работу туманок! Всё супер!
Сделали подключение в блоке предохранителей по методике Михаила.  :)
Записан
Жлоб я - хобби у меня такое ))

Rambl

  • Newbie
  • *
  • Карма: +3/-0
  • Сообщений: 4

Тоесть один разъём под рулем и второй 1J ?
Записан

Yurandex

  • Administrator
  • Sr. Member
  • *****
  • Карма: +9/-0
  • Сообщений: 347
  • Toyota Sequoia I - 2002
Записан