Тойота Секвойя / Тойота Тундра

Тойота Секвойя / Тойота Тундра

  • Апрель 27, 2026, 07:21:22 pm
  • Добро пожаловать, Гость
Пожалуйста, войдите или зарегистрируйтесь.

Расширенный поиск

Новости:

Внимание каждая регистрация нового пользователя одобряется администраторами форума. Для ускорения процесса, после регистрации отправте письмо с просьбой активировать учетную запись и указать ник. Письмо слать по адресу y.prasolov@gmail.com

Автор Тема: ДХО при наличии led  (Прочитано 22390 раз)

Shurik_designer

  • Sr. Member
  • ****
  • Карма: +7/-0
  • Сообщений: 292
  • Баобаб Limited, 2002
ДХО при наличии led
« : Январь 12, 2024, 12:27:33 pm »

Информация для желающих вернуть штатный режим ДХО (автомобили оборудованные системой Daylight - свет в пол накала  после поворота ключа зажигания), который приходится отключать после установки светодиодных ламп или линз.

ДХО LED.jpg
Схема любезно предоставлена Александром.  ;D
Записан
Жлоб я - хобби у меня такое ))

Shurik_designer

  • Sr. Member
  • ****
  • Карма: +7/-0
  • Сообщений: 292
  • Баобаб Limited, 2002
Re: ДХО при наличии led
« Ответ #1 : Январь 15, 2024, 03:39:55 pm »

Метод №2
1.jpg
2.jpg
3.jpg
Красный с синей полоской — на 85 контакт реле.
Красный с белой полоской — 86.
4.jpg
5.jpg
6.jpg
7.jpg
Все по мере производства.
Постоянный плюс взял оттуда же.
« Последнее редактирование: Январь 18, 2024, 02:53:22 pm от Yurandex »
Записан
Жлоб я - хобби у меня такое ))

Shurik_designer

  • Sr. Member
  • ****
  • Карма: +7/-0
  • Сообщений: 292
  • Баобаб Limited, 2002
Re: ДХО при наличии led
« Ответ #2 : Январь 15, 2024, 03:42:58 pm »

8.jpg
9.jpg
10.jpg
11.jpg
12.jpg
Отличие от схемы Александра в первом сообщении:
У меня на 86 и 85 контактах было 12 вольт плюс.
86 закинул на массу и все заработало.
Машина Канада!
Забыл написать постоянный плюс бело зеленый.
« Последнее редактирование: Январь 18, 2024, 03:00:05 pm от Yurandex »
Записан
Жлоб я - хобби у меня такое ))

Yurandex

  • Administrator
  • Sr. Member
  • *****
  • Карма: +9/-0
  • Сообщений: 347
  • Toyota Sequoia I - 2002
Re: ДХО при наличии led
« Ответ #3 : Январь 18, 2024, 03:04:16 pm »

Пояснения
Штатное реле управляется по минусу, но если штатное реле оставить на месте, и в режиме когда ДХО отключено, то потенциал будет на обеих ногах реле.
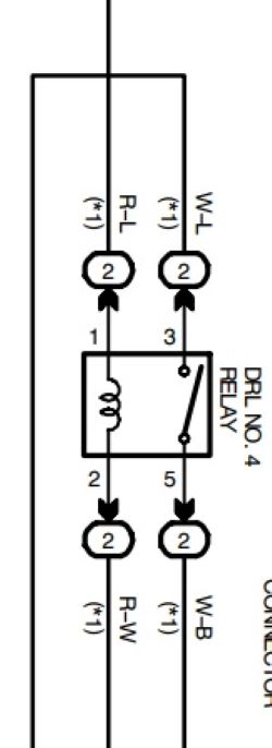
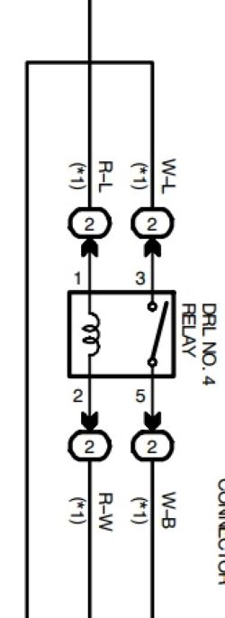
Вот схема для модели 2005 г.в.

схема 2005.jpg

Цвета проводов – смотрим запоминаем.

2005.jpg

2005 г.в.

2001.jpg

2001 г.в. — цвета проводов такие же.

2003.jpg

2003 г.в. — цвета проводов такие же.

image.jpg

ДХО на дальнем или ближнем определяется исключительно мультиплексом (вот вам и США/Канада), так как минус и у ближнего и у дальнего (спирали) общий, он же, "–" минус, через резистор подключается.

Выводы:
Вариант №1 – по схеме Александра
Вариант №2 (если выходит так, как описано выше) – с реле ДХО нужно только 85 контакт притащить и постоянный плюс 86 просто на массу.

P.S.: после опроса еще один владелец канадки подтвердил, что в режиме ДХО у него горит ближний.
Записан