Тойота Секвойя / Тойота Тундра
Тойота Секвойя / Тойота Тундра I поколения (2001-2007) => Электрооборудование => Тема начата: Shurik_designer от Март 15, 2018, 10:24:05 am
-
Приветствую, товарищи электрики. Касается тех кто хочет больше света.
Не нравится ситуация, когда при включении дальнего у нас гаснут ПТФ. То же относится к режиму, когда горят только габариты, ПТФ при габаритах вообще не включаются.
Почитал форумы коллег японо-американцев:
https://club-lexus.ru/forum/viewtopic.php?t=13515&postdays=0&postorder=asc&start=0&per_page=15
http://highlanderclub.ru/node/1914
Как на счет организации подобного на Секвойе?
-
За почти 2 года езды с линзами в основных фарах - ни разу не включал даже птф на дороге ))))
-
Щас линзы воткну за место ПТФ, и придется заставить работать туманки независимо от дальнего и ближнего. Но это все теплой вестой!
-
PS: Сразу скажу, если не разбираетесь в электронике, то Вам сразу сюда: http://sequoia-club.ru/index.php?topic=307.msg1102#msg1102
И так начнем:
С друзьями соклубниками проанализировали схему, стало все ясно и понятно как работает и почему гаснут ПТФ на Тойота Секвойя совместно с дальним светом и почему не включаются вместе с габаритами...
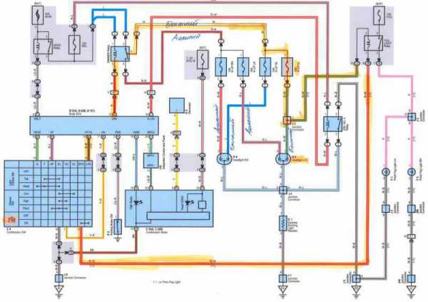
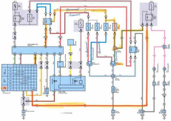
Вот тут вы можем наблюдать полную схему работы противотуманок:

Скачать эту схему в хорошем качестве: https://drive.google.com/open?id=1f9xCi9lSkmOZwJq3hxzoTYKb2606IKHj
1. Часть это сам рычаг включения туманок. Там только лишь при включении ближнего света перемыкаются контакты и система мультиплекс отправляет на рычажок включения ПТФ массу. И только тогда Вы можете повернув рычажок включения противотуманных фар отправить массу на реле включения ПТФ.
Обманывается тут просто:
1. Откручиваем кожух за рулем, видим проводку, которая приходит на поворотники и на рычажки управления светом.
2. Отрезаем проводок, который отправляет массу на реле от системы мультиплекса: Ищем тонкий -=зеленый провод с черной полосой=-(G-B), Отрежем его на расстоянии около 3х сантиметров от разъема.
3. Берется масса, которая приходит на рычаг поворотников и управления светом. Это толстый -=белый провод с черной полосой=-(W-B), делается надрез, но смотрите не стоит разрезать этот провод, делаем так, чтобы провод оголился и к нему прикручиваем отрезанный тонкий -=зеленый провод с черной полосой=-(G-B). А другую отрезанную сторону провода G-B , которая идет от мультиплекса изолируем. То, что вы только что сделали, стало давать постоянное заземление -=зеленого провода с черной полосой=- вместо того, чтобы давать заземление только при ближнем свете.
2. Часть Более трудоемкая. Ее цель заставить уже +12 вольт отправить на реле Туманок. То есть Чтобы Туманки включились нам нужно подать питание на реле. с одной стороны массу, с другой +12в. Массу мы поняли как подать, теперь ищем как подать +12. Смотрим схему. Там видно, что есть такое реле 5 контактное, которое называется
Вот схематично, что надо и куда подключить! На схеме видно, что при включении Ближнего света, мультиплексная шина подает массу на тумблер включения туманок!
При включении тумблера масса проходит дальше! И мы видим, как она уходит по проводу: R-W (красный с белой полоской).

И так мы полностью закончили первую часть и смогли подать минус на реле:

Теперь будем разбирать вторую часть!
Рассмотрим ее внимательнее!
Мы видим что, +12в, от который подается питание на реле ПТФ, тоже подает Мутиплекс(body ECU)
Вот схема со стороны подачи +12В:

И так Мультиплекс подает питание +12 только, когда рычаг ближнего света включен!
Питание +12 идет на DIMMER РЕЛЕ, оно 5 контактное. Видно, что когда реле отключено, то +12 подается на фары ближнего света и на реле противотуманок, а минус на DIMMER реле не подается.
Когда мы включаем дальний свет, то на DIMMER реле еще начинает приходить масса и реле включается, после чего гаснет ближний свет и отключается реле противотуманок, и включается дальний свет.
Вот как раз нам эту всю систему и надо обойти. Нам надо просто подавать всегда, когда машина заведена +12 вольт мимо этой сложной конструкции. То есть обрезать провод +12в ведущий от ближнего света на реле ПТФ, найти любой провод ACC, и его подключить к реле ПТФ.
Вот как это выглядит схематично:

Реле ПТФ находится в салоне пол ногами водителя.
Надо снять нижнюю накладку, вытащить нижний воздуховод, открутить левую часть воздуховода.
Там нам должен открытся полностью блок реле и предохранителей. Надо открутить верхний и нижний болт на 10.
Далее нам нужно глянуть схему:

Это обратная сторона блока предохранителей в салоне!
Нам необходимо отступить от разъема 4см, отрезать контакт 10_1J, и ту часть которая не входит в разъем заизолировать.
Далее найти контакт: 8_1K, и не разрезая срасить с контактом 10_1J.
Вот более наглядные картинки, как это выглядит:


У Вас все готово, чтобы можно было пользоватся противотуманными фарами, всегда, когда включены габариты!
Если Хотите, чтобы Даже с выключенными габаритами можно было включать ПТФ, тогда можете найти любой контакт ACC, например от магнитофона или еще от чего либо и прикрутить его к контакту 10_1J ведущему на разъем!
Спаибо за внимание!
Задавайте вопросы!
-
Для чайников:
Откручиваем пару винтиков под рулем, снимаем кожух рулевой.




Ищем левый рычаг поворотников. Под ним есть провода.

ШАГ 1.
1. Ищем тонкий -=зеленый провод с черной полосой=-, а также толстый -=белый провод с черной полосой=-.
2. Отрежем -=зеленый провод черной полосой=- на расстоянии около 3х сантиметров от разъема.

3. НЕ разрезайте -=белый провод с черной полосой=-, а просто надрежьте изоляцию и срастите с -=зеленым проводом с черной полосой=- . Изолируйте все хорошо.

4. Теперь Вы можете все собрать назад и приступить ко второму шагу!
ШАГ 2.
Тут можно либо пойти двумя путями!
Первый путь изложен ниже, а про второй путь написано тут: http://sequoia-club.ru/index.php?topic=307.msg1105#msg1105
Откручиваем под рулем панель на торпедо.
Вытасвиваем 2 части воздуховода.
Получаем доступ к блоку реле и предохранителей.
Сверху и снизу откручиваем болты на 10.
Вытаскиваем блок предохранителей и ищем контакты: 10_1J и 8_1K
Нам необходимо отступить от разъема 4см, отрезать контакт 10_1J, и ту часть которая не входит в разъем заизолировать.
Далее найти контакт: 8_1K, и не разрезая срасить с контактом 10_1J.



-
+ тебе в карму!
-
Добавлю, коротко о главном (фото процесса от соклубника)
Для тех кто хочет туманки вместе с дальним. Снимаем подрулевой кожух. Снимаем разъем с переключателя света.
(https://d.radikal.ru/d26/1803/44/ee6ea6763517.jpg)
Вот так его разворачиваем и зелено черный провод( нижний правый угол) разрезаем и сажаем его на массу.
(https://a.radikal.ru/a23/1803/ea/7ee4103cb7cd.jpg)
Снимаем блок предохранителей и реле в салоне
(https://d.radikal.ru/d04/1803/cc/a7c8a77f9e3a.jpg)
Нужен этот разъем
(https://c.radikal.ru/c32/1803/55/84ad9b226fbf.jpg)
Он подписан 1J
(https://b.radikal.ru/b13/1803/44/e1c8b823f8db.jpg)
В нем провод цвет не помню (верхний правый угол) сажаем на плюс после зажигания. Собираем все обратно. Теперь туманки работают от зажигания и включаются ,выключаются со штатного включателя. Данная схема действительна для секвои 2005год с ДХО. На остальных моделях нужно проверять.
(https://d.radikal.ru/d28/1803/81/b510c0608269.jpg)
Чтобы снять блок реле и предохранителей нужно это крепление полностью снять. Так будет проще и быстрее
(https://a.radikal.ru/a11/1803/18/7048581b7e8a.jpg)
Спасибо Михаилу за фото процесса!
-
Еще есть второй способ, он еще годами не опробован!
Надо долго тестировать.
Смысл в том, что мы не лезем и не разбираем в салоне блок реле, а просто открываем капот, вытаскиваем одно реле, на нем проводом перемыкаем два контакта и ставим предохранитель на место. Это даст нам следующее: ПТФ можно включать в любой время, когда машина заведена, ПТФ в тойота секвойя будет гореть вместе с дальним! И самое главное, что при включении дальнего света, ближний свет не будет гаснуть, тем самым будет светить дальний значительно ярче.
1. первый шаг выполняем, как выше изложено и в разъеме переключателя поворотников разрезаем и соединяеми провода. (смотрите пост выше).
2. Второй шаг будет несколько иным.
Откроем капот, увидим блок предохранителей, который ближе к стеклу водителя, откроем его.
Смотрим на крышку и ищем DIMMER RELAY

Далее находим и вытаскиваем это реле:

Накручиваем провод, и тщательно пропаиваем как на картинке два контакта.

Все! Работа выполнена, вставляем назад реле и тестируем, что все работает!!!
Прошу заметить, что после такой процедуры, теперь не надо покупать косу для ксенона.
Если раньше пропадало питание на ближний свет, при включении дальнего.... Шторка линзы поднималась, а ксенон гас, то теперь оно не будет гаснуть. ПРосто подключите шторку к дальнему, а блок поджига к ближнему и все.
-
Добавлю небольшое дополнение от Михаила, у которого схема независимых туманок уже реализована:
Если взять "+" с ACC то это первое положение ключа. Если взять плюс с прикуривателя то он тоже работает после первого положения ключа. Может быть такое что включены на переключателе туманки и в машина не заведена просто слушают музыку, то туманки будут светить. Что не совсем правильно.
Я когда делал эту схему то запитывался именно на положение ключа ON. На схемах IG.
(https://b.radikal.ru/b35/1803/c4/e70f3aed1d3e.jpg) (https://radikal.ru)
Сегодня рассматривал схемы откуда я взял этот плюс и увидел что можно взять с разъема 1J со второго контакта. А я брал с реле обогрева зеркал но они в итоге сходятся во втором контакте.
(https://b.radikal.ru/b23/1803/d3/e06659789f62.jpg) (https://radikal.ru)
Здесь у меня плохо видно но все же нижний ряд с лева второй провод он красный и с жёлтой полосой. На нем + появляется после включения зажигания.
То есть 10контакт разрезаем и сажаем на 2 контакт. Вся переделка в двух разъемах и больше никуда лезь не нужно.
С уважением Михаил
-
Спасибо Михаилу за дополнение!!
-
Вот Михаил нашел в том же разъеме +12в
То есть нужно всего лишь вытащить разъем 1J и соединить два контакта.
Никуда лазить не надо.. Никакой плюс тянуть не нужно!

-
Спасибо Михаилу! :)
-
Спасибо Михаилу! :)
Пожалуйста.
-
Подключили независимую работу туманок! Всё супер!
Сделали подключение в блоке предохранителей по методике Михаила. :)
-
Тоесть один разъём под рулем и второй 1J ?
-
да