Пояснения
Штатное реле управляется по минусу, но если штатное реле оставить на месте, и в режиме когда ДХО отключено, то потенциал будет на обеих ногах реле.
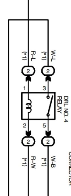
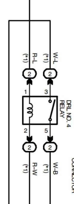
Вот схема для модели 2005 г.в.

Цвета проводов – смотрим запоминаем.

2005 г.в.

2001 г.в. — цвета проводов такие же.

2003 г.в. — цвета проводов такие же.

ДХО на дальнем или ближнем определяется исключительно мультиплексом (вот вам и США/Канада), так как минус и у ближнего и у дальнего (спирали) общий, он же, "–" минус, через резистор подключается.
Выводы:
Вариант №1 – по схеме Александра
Вариант №2 (если выходит так, как описано выше) – с реле ДХО нужно только 85 контакт притащить и постоянный плюс 86 просто на массу.
P.S.: после опроса еще один владелец канадки подтвердил, что в режиме ДХО у него горит ближний.